Производство трубчатых электронагревателей
Доставка по России и СНГ
Мы работаем только с Юр. лицами или ИП.
Мы знаем про ТЭНы всё
Отдел сбыта в Москве
Самовывоз: склад в Сергиевом Посаде и Москве
Завод
в Сергиевом Посаде
Открыты для обсуждения любых вопросов
Нажимая кнопку "Сделать заказ", подтверждаете свое согласие
с положениями Политики конфиденциальности
Или оставьте ваши контакты и мы свяжемся с Вами!
Заявку можете отправить на электронную почту
+7 (495) 739-33-05
или
+7 (495) 721-84-23
Связаться с нами можно по телефону
Мы работаем только с Юр. лицами или ИП.
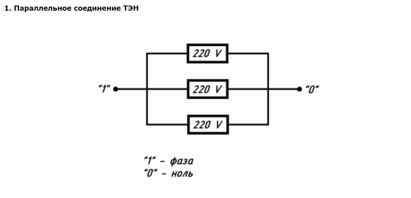
Схемы подключения ТЭН к однофазной сети
Трубчатые электронагреватели (ТЭНы) как и другие потребители электроэнергии подключаются как к однофазной так и к трехфазной сети.
При подключении к однофазной сети (1 «фаза» и «ноль») более чем одного ТЭНа используется параллельная, последовательная либо комбинированная схемы подключения.
При параллельном соединении действуют следующие основные законы:
• Напряжение на каждом ТЭНе постоянно и равно напряжению в сети;
• При выходе из строя одного из ТЭН, остальные продолжают работать;
• Суммарная мощность сборки складывается из мощностей всех ТЭНов, установленных параллельно;
• Если параллельно установлены ТЭНы разной мощности, то суммарная мощность считается по формуле: Pобщ=U2/Rобщ, где Pобщ - суммарная мощность, U- напряжение, Rобщ – суммарное сопротивление сборки.
Суммарное сопротивление сборки Rобщ рассчитывается по формуле:
1/ Rобщ=1/R1+1/R2+1/R3
При последовательном соединении действуют следующие основные законы:
• Общее сопротивление сборки складывается из сопротивлений всех ТЭНов, установленных последовательно;
• Если последовательно установлены ТЭНы одинакового сопротивления, то напряжение на каждом ТЭНе равно общему напряжению сети деленному на количество ТЭНов в сборке. Другими словами: Uобщ=U1+U2+U3
• Общая мощность сборки ТЭН считается по формуле Pобщ=Uобщ2/Rобщ, где Pобщ - суммарная мощность, Uобщ - общее напряжение сети, Rобщ - суммарное сопротивление сборки ТЭН.
Суммарное сопротивление сборки Rобщ рассчитывается по формуле:
Rобщ=R1+R2+R3
• При выходе из строя одного ТЭНа обрывается общая цепь и остальные ТЭНы также перестают работать.
При комбинированном соединении ТЭН, следует разбивать цепь на несколько участков (А и Б), для которых соответственно будут действовать законы либо параллельного (А), либо последовательного (Б) соединения.

* значение напряжения на всех схемах указано при подключении к сети – 220V
ТЭНы
Двухконцевые
Патронного типа
С оребрением
Блоки ТЭН
Нагреватели
Плоские
Хомутовые
Полухомутовые