Производство трубчатых электронагревателей
Доставка по России и СНГ
Мы работаем только с Юр. лицами или ИП.
Мы знаем про ТЭНы всё
Отдел сбыта в Москве
Самовывоз: склад в Сергиевом Посаде и Москве
Завод
в Сергиевом Посаде
Открыты для обсуждения любых вопросов
Нажимая кнопку "Сделать заказ", подтверждаете свое согласие
с положениями Политики конфиденциальности
Или оставьте ваши контакты и мы свяжемся с Вами!
Заявку можете отправить на электронную почту
+7 (495) 739-33-05
или
+7 (495) 721-84-23
Связаться с нами можно по телефону
Мы работаем только с Юр. лицами или ИП.
Общая информация
Воздушные
Жидкостные
Маслянные
Специальные
ТЭНы двухконцевые
Трубчатые электронагреватели (ТЭН) предназначены для нагрева различных сред путем конвекции, теплопроводности и излучения посредством преобразования электрической энергии в тепловую и применяются в качестве комплектующих изделий в промышленных установках и бытовых нагревательных приборах. Конструкция двухконцевого трубчатого электронагревателя круглого сечения представляет собой расположенный внутри металлической оболочки нагревательный элемент (спираль или несколько спиралей из сплава с высоким сопротивлением) с контактными стержнями. От оболочки нагревательный элемент изолирован спрессованным электроизоляционным наполнителем. Для предохранения от попадания влаги из окружающей среды торцы ТЭН герметизируют. Контактные стержни изолируются от оболочки диэлектрическими изоляторами.
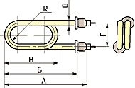
D - диаметр оболочки

L - развернутая длина ТЭН

Lk - Длина контактного стержня в заделке
рис.1
Пример условного обозначения ТЭН по ГОСТ-13268:
По конфигурации, конструктивному исполнению и назначению выпускаемые нашим производством ТЭНы имеют широкий диапазон параметров:
по рабочему напряжению от 12 до 660В;

по номинальной мощности от десятков ватт до десятков киловатт;

по длине от нескольких сантиметров до 6 метров;

по конфигурации как прямые, так и согнутые в различных плоскостях;

по назначению для нагрева воздуха, жидкостей, масла, пресс-форм, плавления легкоплавких металлов, селитры;

по крепежным элементам и форме контактных выводов как стандартного исполнения, так и специально требующиеся.
Поскольку большинство трубчатых электронагревателей по своей специфике индивидуальны, мы принимаем заказы на изготовление ТЭН по рабочим чертежам заказчика.
Основным правилом при выборе ТЭН для заданной нагреваемой среды является правильное сочетание геометрических и электротехнических параметров. Ресурс и надежность работы ТЭН зависят от того, насколько велика поверхностная нагрузка. Для различных нагреваемых сред допустимая удельная поверхностная нагрузка разная и является строго нормативной величиной, превышение которой ведет к преждевременному выходу ТЭН из строя.
Воздушные трубчатые электронагреватели предназначены для нагрева воздуха и смесей газов и согласно ГОСТ 13268-88
Воздушные ТЭНы могут быть прямыми и согнутыми в различных плоскостях, оснащаться различными крепежными элементами, оребряются углеродистой или нержавеющей лентой.
В случаях, если требуется мощность превышающая максимальную, а посадочные размеры не позволяют увеличить длину ТЭН или их количество, применяют оребренные ТЭНы. Из-за лучших условий теплосъема оребренные ТЭНы часто используются в электрокалориферах.
Примечание: Если требуется изготовить ТЭН с превышением нормативных параметров, указанных в ГОСТ-13 268, такие ТЭНы могут быть изготовлены без гарантийных обязательств Поставщика, но с учетом известных Вам условий эксплуатации они так же могут работать долгое время.
В случаях, если требуется мощность превышающая максимальную, а посадочные размеры не позволяют увеличить длину ТЭН или их количество, применяют оребренные ТЭНы. Из-за лучших условий теплосъема оребренные ТЭНы часто используются в электрокалориферах.
Примечание: Если требуется изготовить ТЭН с превышением нормативных параметров, указанных в ГОСТ-13 268 такие ТЭНы могут быть изготовлены без гарантийных обязательств Поставщика, но с учетом известных Вам условий эксплуатации они так же могут работать долгое время.
Жидкостные трубчатые электронагреватели предназначены для нагрева воды, слабых растворов кислот и щелочей, других жидкостей и согласно ГОСТ 13268-88. Подразделяются следующим образом.
Жидкостные ТЭНы могут быть согнутыми в различных плоскостях и оснащаться различными крепежными элементами. Также возможно изготовление жидкостных ТЭН в оболочке из меди, алюминия, титана и других материалов.
На нашем производстве жидкостные ТЭНы проходят 100% проверку герметичности соединений штуцеров с оболочкой!
Активная часть жидкостных ТЭН должна полностью располагаться в нагреваемой среде!
Примечание: В случаях, если требуется изготовить ТЭН с превышением нормативных параметров, указанных в ГОСТ-13268, такие ТЭНы могут быть изготовлены без гарантийных обязательств Поставщика, но с учетом известных Вам условий эксплуатации они также могут работать долгое время.
Масляные трубчатые электронагреватели предназначены для нагрева масла, жиров, битума, других жировых соединений и согласно ГОСТ 13268-88. Характеризуются следующим образом.
Масляные ТЭНы могут быть согнутыми в различных плоскостях и оснащаться различными крепежными элементами. Также возможно изготовление масляных ТЭН в оболочке из нержавеющей стали и других материалов
На нашем производстве жидкостные ТЭНы проходят 100% проверку герметичности соединений штуцеров с оболочкой!
Активная часть жидкостных ТЭН должна полностью располагаться в нагреваемой среде!
Примечание: В случаях, если требуется изготовить ТЭН с превышением нормативных параметров, указанных в ГОСТ-13268, такие ТЭНы могут быть изготовлены без гарантийных обязательств Поставщика, но с учетом известных Вам условий эксплуатации они так же могут работать долгое время.
К специальным относятся трубчатые электронагреватели предназначенные для нагрева (плавления) специфических и агрессивных сред и согласно ГОСТ 13268-88. Подразделяются следующим образом.
ТЭНы могут быть прямыми и согнутыми в различных плоскостях, оснащаться различными крепежными элементами. По требованию потребителя для специальных ТЭНов проводятся дополнительные усиленные приемо-сдаточные испытания (повышенное пробойное напряжение, влагостойкость, стойкость к вибрации…)
Оставьте заявку на двухконцевые ТЭНы и мы перезвоним Вам в течение 5 минут
Нажимая кнопку "Сделать заказ", подтверждаете свое согласие с положениями Политики конфиденциальности
Конфигурация ТЭНов
1 рис.
2 рис.
3 рис.
4 рис.
5 рис.
6 рис.
7 рис.
8 рис.
9 рис.
10 рис.
Формы контактных выводов
Чаще всего применяются стержни с резьбой М4 или М5.
Контактные стержни изготавливаются из углеродистой стали.
ТЭНы с диаметром оболочки меньше 8,5 мм оснащаются контактными выводами выполненными в виде лепестков.
Также возможно изготовление ТЭН с гладкими контактными стержнями, к которым припаяны провода требуемой длины.
Крепление ТЭН за контактные стержни не допускается!
Для подключения ТЭН к сети переменного или постоянного тока электронагреватели оснащаются необходимыми контактными выводами
Наиболее надежным является подсоединение проводов питающей сети к ТЭН с помощью контактного узла, выполненного в виде стержней с резьбой.
Контактный стержень соединен внутри ТЭНа с нагревательным элементом (спиралью), а снаружи имеет узел крепления подводящих проводов (шайбы и гайки).
Крепежные элементы
Наиболее часто применяются штуцера с размерами приведенными в таблице.
Из перечисленных размеров хотелось бы выделить, как самый технологичный, вариант штуцеров с трубной резьбой G ½'' (наружний диаметр резьбы — 20,96 мм). Применение этого типоразмера штуцеров не потребует дополнительных затрат на ответные гайки и уплотнительные прокладки, так как размер G ½ '' является одним из основных размеров отечественного и импортного сантехнического оборудования.
При заказе Вы можете выбрать один из предложенных вариантов или указать требующиеся размеры штуцера.
Чаще всего штуцера изготавливаются из углеродистой стали.
По Вашему желанию возможно изготовление штуцеров из нержавеющей стали (для ТЭН работающих в агрессивных средах, в пищевых установках, в медицинских дистилляторах) и других материалов.
Всевозможные другие крепежные элементы могут быть изготовлены из различных материалов и закреплены в необходимом месте ТЭН по Вашему требованию.
Для надежного крепления ТЭН в комплектуемых изделиях электронагреватели оснащаются необходимыми крепежными элементами (штуцера, втулки, пластины…)
Наиболее часто ТЭНы крепятся к стенкам изделий при помощи штуцеров.
Штуцер (резьбовая втулка с упорным фланцем) закрепляется на электронагревателе способом прессовки, пайки или сварки в зависимости от условий работы ТЭН в той или иной нагреваемой среде.
ТЭНы
Двухконцевые
Патронного типа
С оребрением
Блоки ТЭН
Нагреватели
Плоские
Хомутовые
Полухомутовые